
用于廢車粉碎裝置、廢家電回收處理裝置,回收含鐵物質。
從大件垃圾的破碎物中回收含鐵物質。
從焚燒設備的灰渣中回收含鐵的物質。
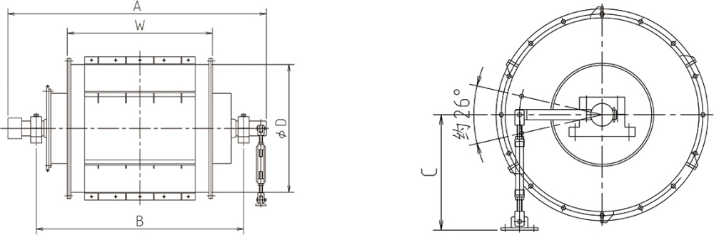
由于磁極部位采用的是強力的電磁石,所以對鐵片的 吸引力非常大,回收性能良好。
為了能自由調整到合適的回收位置,我們把松緊螺 絲扣作為標準配置品,客戶可以調節磁石的位置。
為了防止滾筒表面的變形磨損,附帶設置了可更換的耐磨 板,可以承受比較嚴酷的使用條件。

| 型號 | 適用振動 槽的寬度 | 筒長 | 外形尺寸 | 簡徑 | 推薦轉速 | 線速度 | 電磁石功率 | 電機功率 | 重量 | ||
| W | A | B | C | ΦD | (min-1) | (m/min) | (kw) | (kw) | (kg) | ||
| EDO808s | 600 | 1350 | 850 | 1738 | 481 | 762 | 25 | 60 | 2.1 | 1.5 | 1300 |
| EDO810S | 800 | 1050 | 1870 | 1500 | 481 | 762 | 25 | 60 | 1.8 | 3.7 | 1500 |
| ED0910S | 800 | 1050 | 1870 | 1500 | 560 | 927 | 25 | 73 | 2.7 | 3.7 | 1900 |
| ED0912S | 1000 | 1250 | 2070 | 1700 | 560 | 927 | 25 | 73 | 3.2 | 3.7 | 2000 |
ED1212S | 1000 | 1250 | 2150 | 1810 | 560 | 1200 | 25 | 94 | 3.5 | 3.7 | 3000 |
ED1217S | 1500 | 1750 | 2700 | 2315 | 560 | 1200 | 25 | 94 | 6.0 | 5.5 | 4300 |
ED1224S | 2200 | 2470 | 3500 | 3050 | 800 | 1200 | 25 | 94 | 7.8 | 11.0 | 6500 |
ED1313S | 1100 | 1350 | 2235 | 1830 | 800 | 1300 | 20 | 82 | 3.0 | 3.7 | 3500 |